Werkstoff: Gabel: Stahl verzinkt, blau passiviert.
Lauffläche: Thermoplastisches Polyurethan TPU, grau, 94 Shore A.
Radkörper: PA 6, verschraubt.
Radlagerung: Kugellager.

Für den Innenbereich. Geräuscharmer Lauf bei geringem Roll- und Schwenkwiderstand. Spurlos und kontaktverfärbungsfrei.

Temperaturbereich: -20°C bis +70°C (kurzzeitig bis +90°C).
Reduzierte Tragfähigkeit bei über +35°C.

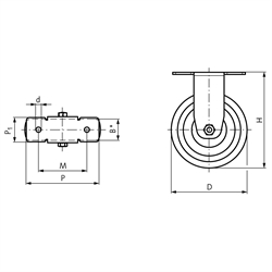
* Radbreite

Service:

Katalogseite

Zusätzliche Informationen



Die angebotenen CAD-Daten, Abbildungen und technischen Zeichnungen werden mit größtmöglicher Sorgfalt erstellt.
Dennoch kann keine Gewährleistung für die Fehlerfreiheit und Genauigkeit dieser Daten übernommen werden.

( freibleibend aus Lagervorrat / kurzfristig lieferbar / Lieferzeit nach Vereinbarung. Bitte fragen Sie nach. )
Artikel Menge D
[mm]
B
[mm]
H
[mm]
d
[mm]
P
[mm]
P1
[mm]
M
[mm]
Tragkraft
[kg]
Gewicht
[kg]
77793080
80321118,512040801200,51
77793100
100321368,512040801200,62
77793125
125321618,512040801200,74


zur Gruppe


Impressum AGB Hilfe Datenschutzerklärung Index


MÄDLER on Facebook Facebook MÄDLER on Youtube YouTube MÄDLER on Twitter Twitter MÄDLER on Instagram Instagram MÄDLER on Xingk Xing MÄDLER on Linkedin LinkedIn