Werkstoff: Stahl C45 verzinkt.
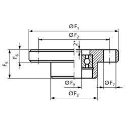
Anbauplatte für Montage auf einen Wellenzapfen am Spindelende.
* Mindestabstand zum Wellenzapfen am Spindelende.
Service:
Katalogseite
Betriebs / Wartungsanleitung
Zusätzliche Informationen
Die angebotenen CAD-Daten, Abbildungen und technischen Zeichnungen werden mit größtmöglicher Sorgfalt erstellt.Dennoch kann keine Gewährleistung für die Fehlerfreiheit und Genauigkeit dieser Daten übernommen werden.
zur Gruppe